Приспособление для навивки цилиндрических пружинВинтовые цилиндрические одножильные пружины широко применяют в различных машинах и приборах. Чаще всего пружины делают из проволоки круглого сечения, так как напряжения и деформации в них распределяются достаточно равномерно, да и стоимость их (по сравнению с другими пружинами) наименьшая. Предлагаемое приспособление служит для навивки цилиндрических пружин диаметром до 11 мм из проволоки диаметром 1,5 мм. Разумеется, размеры приспособления можно изменить для изготовления пружин из проволоки большего диаметра. ![]() Приспособление для навивки пружин
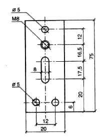
Все детали приспособления выполняют из стали. Левая и правая стойки вырезаны из стальной полосы толщиной 5 мм. В каждой стойке прорезан паз шириной 8 мм. В данных пазах устанавливают стержень-ручку 4, а также призмы 5, которые подпирают снизу стержень-ручку, прижимая его к верхнему краю паза. ![]() Стойка левая
Конструкция приспособления
1 — направляющая втулка; 2 — резьбовая шпилька; 3 — пластина-шагомер; 4 — стержень-ручка; 5 — призмы; 6 — левая стойка У призмы имеется ползун, который, ходит в пазу стойки, обеспечивая нужное положение стойки относительно стержня-ручки. При замене стержня-ручки одного диаметра на другой призму приходится перемещать. Призму с ползуном можно выточить целиком, а можно и изготовить ползун отдельно и впрессовать его в собственно в призму, как и сделано в данном случае. В верхней части левой стойки предусмотрены отверстия для направляющей втулки 1 и для короткой резьбовой шпильки 2, на которой с помощью гайки укреплена пластина-шагомер 3 для регулировки шага навиваемой пружины. Учтите, что отверстие для проволоки в направляющей втулке сверлят после установки втулки на стойке, а подобное отверстие в резьбовой шпильке — после крепления на ней пластины-шагомера. В качестве основания для приспособления использована 12-миллиметровая стальная полоса размером 20x110 мм. С двух концов к основанию с помощью двух болтов прикреплены стойки 6. Перед работой приспособление зажмите в тисках или закрепите парой струбцин к верстаку. Пропустите проволоку через ряд отверстий: в направляющей втулке, в шпильке, через прорезь на конце стержня-ручки и закрепите, обернув вокруг прорези в стержне. Вращая стержень, уложите на него витки проволоки с необходимым шагом. Размер этого шага регулируйте пластиной-шагомером, поворачивая на шпильке, т.е. устанавливая соответствующий рабочий сектор пластины в нужное положение. ![]() направляющая втулка
![]() резьбовая шпилька
![]() Призма
![]() Пластина - шагомер
Намотав нужное число витков, остановите рукоятку. Будьте осторожны: освобожденная от нагрузки пружина способна несколько раз повернуть рукоятку в обратном направлении. Кроме того, при снятии с пружины нагрузки число ее витков уменьшится, а диаметр несколько увеличится. Так что диаметр стержня всегда должен быть меньше необходимого внутреннего диаметра пружины. Поверхность готовой пружины наклёпывается, поэтому ее лучше отпустить при температуре 260-300°С (нагрев ведут в масле). Длительность выдержки при данной температуре — 5 минут на каждый миллиметр диаметра проволоки. http://samodelki.org.ua - Энциклопедия самоделок Голосуй
Категории: Технологии » Станки и инструмент.
Добавлено: 11-06-2008, 16:18
Комментариев: 0
Просмотров: 2214
Похожие публикациизагрузка...
|












