своими руками

 

Рубрики
Реклама
Скачать
Рекомендуем
Рассылка
Ваш E-mail


Ваше имя


Партнеры

Полезные советы
Изделия из козлика моют холодной мыльной водой, затем ополаскивают и сушат.

Самый простой и надежный инфракрасный порт собрать довольно просто а состоит он всего из 6 деталей!

 
Для сборки нам понадобится:

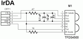
1) Инфракрасный асинхронный приемо-передатчик TFDS4500, документация;

2) Емкости: 10 uF* 25 V, полярный и 0,1 uF;

3) Сопротивления: 47 Ом (желтый, фиолетовый, черный, золотой) и 14 Ом (коричневый, желтый, черный, золотой) или вместо 14 Ом ставим в параллель два по 27 Ом (красный, фиолетовый, черный, золотой). В скобках, как вы наверное догадались, дана цветовая маркировка.

 
Далее собираем все по следующей схеме:
 
 
 
Я надеюсь у вас есть P-CAD? =) Нате вам топологию печатки в формате *.pcb, скачать. На ней одно сопротивление на 14 Ом заменено на два по 27 Ом.
В собранном виде наш IK выглядит так:
Инфракрасный порт
Идем далее....
 
Подключается это поистине чудо инженерной мысли к IRDA порту вашей материнки. Где он находится посмотрите в инструкции к материнке.
 
При подключении не перепутайте контакты!
 
Настройка.... Тут все немного сложнее, поскольку на разных мамках порт настраивается по-разному.
 
А общие методы настройки я вам расскажу.
1) Смотрим как правильно включить в материнку, не перепутав контакты.
2) Лезем в биос: "Chipset Features Setup" -> "UART2 Use Infrared" -> "Enabled", затем в "Integrated Peripherals" и выставляем Uart Mode, Duplex Select, TxD и RxD.
3) Перезагружаемся, держа пальчиками порт. Если TDFS4500 греется, меняем настройки.
 
Советую скачать уже готовый FAQ с некоторым количеством материнок.
 
Автор статьи: ScrewDriver.
http://samodelki.org.ua "Энциклопедия самоделок"

 

 22 апреля 2008  

Разрешается републикация материалов сайта в Интернете с обязательным указанием ссылки на сайт samodelki.org.ua и со ссылкой на автора материала (указание автора, его сайта)

  • Фонарь на светодиодах своими руками
  • Учимся как пользоваться мультиметром (тестером)
  • Реконструкция старинного оружия
  • Светомузыкальный коврик для мышки
  • Тонирование автостекол
  •  
    Добавление комментария
    Ваше Имя:
    Код: Включите эту картинку для отображения кода безопасности
    обновить код
    Введите код: