|
Загрузка. Пожалуйста, подождите... 
 Рубрики
 Реклама
|
|
 Скачать
 Рекомендуем
 Рассылка
 Партнеры
 Полезные советы
| Белый мех хорошо чистить крахмалом, а для блеска протрите его тряпкой, смоченной уксусной эссенцией.
|
|
|
|
Прослушивание телефонной линии
Если Вы услышите щелчки в линии, перепады громкости - это вполне может говорить о том, что Вас пытается прослушать не совсем профессиональных способом.
-
Подкуп обслуживающего персонала на АТС - весьма распространенный способ раскрытия Ваших секретов. Особенно это касается небольших городов, где по прежнему используются старые АТС с минимум автоматики. Скорее всего, таким способом могут воспользоваться преступные группы либо конкурирующие фирмы.
-
Прослушивание через электромагнитный звонок ТА. Телефонные аппараты, где в качестве вызывного устройства используется эл/м звонок пока ещё наиболее распространенны в нашей стране. Звонок обладает свойством дуальности, то есть если на эл/м звонок действуют звуковые волны, он начнёт вырабатывать соответствующим образом модулированный ток. Амплитуда его достаточна для дальнейшей обработки. Эксперименты показали, что амплитуда ЭДС наводимая в линии, для некоторым типов ТА может достигать нескольких милливольт (мВ). Корпус аппарата является дополнительным резонирующим устройством.
-
Прослушивание через микрофон телефонного аппарата ТА. Этот способ не является синонимам непосредственного подключения к линии, это гораздо сложнее. Микрофон является частью электронной схемы ТА; он либо соединен с линией (через отдельные элементы схемы) при разговоре, либо отключен от линии, когда ТА находится в готовности к приёму вызова (трубка находится на аппарате). На первый взгляд, когда трубка лежит на аппарате и нет никакой возможности использовать микрофон в качестве источника съема информации. Но это только на первый взгляд ... На рис 4 приведена схема прослушивания с использованием ВЧ – наводки относительна общего корпуса (в качестве которого лучше использовать землю, трубы отопления и т. д.) на один провод подайте ВЧ колебания 150 Гц выше. Через элементы схемы ТА, даже если трубка лежит на аппарате ВЧ колебание поступает на микрофон и далее уже промодулированное в линию.

-
Прием информации производится относительно общего корпуса через второй провод линии. Амплитудный детектор позволяет получить НЧ - огибающую для дальнейшего усиления и записи. Электрически не связанные, но близкорасположенные элементы конструкции ТА, за счет явления индукции являются хорошими проводниками ВЧ - колебания. Для качественной работы подобного устройства желательно, чтобы и подключение ВЧ - генератора и приём промодулированного ВЧ - колебания происходило как можно ближе к ТА, чтобы индуктивное влияние первого прохода на второй было минимальным. Для выполнения этого условия ВЧ - колебания подаются в линию и снимаются только экранированными проводом.
-
Прослушивание с помощью радио-микрофона с питанием от телефонной линии. На рис 5 приведена такая схема.

-
Устройство питается благодаря последовательному включению с телефоном в любом месте линии, от аппарата до АТС. При снятии трубки и при вызове абонента на резисторе Rn происходит падение напряжения, которое используется для питания схемы передатчика. Таким образом можно получить питание 3-4 вольта, что вполне достаточно для маломощного передатчика. В принципе, подбирая резистор Rn можно получить и большее падение напряжения, но при этом уже будет ощутимое снижение громкости переговоров на этом ТА, что может привести к рассекречиванию прослушивающего устройства.
-
Прослушивание с помощью кодового микрофонного усилителя. Этот способ является, пожалуй, одним из самых сложных и требует специального устройства. Принципиальная схема такого устройства была опубликована в открытом журнале как схема прослушивания своей квартиры на расстоянии. Очевидно, что кто-то может поступить так и с Вашей квартирой, предварительно установив на линии (в квартире) этот прибор. Он собран на зарубежной элементной базе. Любой телефон, если в него встроить определенную приставку можно прослушать следующим образом: Вы звоните по этому телефону и сразу подносите к трубке портативный тональник. Тональник звучит на определенной частоте, сигнал проходит по линии на телефон и обрабатывается схемой.
-
Автоответчик, подключенный к проводам телефонной линии, реагирует на звонок и шунтирует линию сопротивлением 600 Ом. При этом телефонная станция переключает телефон на приём и передачу информации. Первыми к линии подключены три устройства: коммутатор питания схемы, цепь имитации поднятия трубки и цепь приема и передачи информации. После прохождения вызова, коммутатор питания подаёт напряжение на все блоки и запускает таймер А. который в свою очередь включает имитатор поднятия трубки.

-
По истечении времени таймер отключает телефон от линии в том случае, если Вы не подали тональный сигнал в линию, если тональный вызов будет правильным, частотный детектор его опознает и запустит таймер В. Таймер В выполняет двойную функцию: включает питание на усилитель и блокирует таймер А, не давая ему отключаться.
-
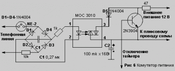
Ко входу подключен микрофон, воспринимающий все звуки в помещении и через усилитель и согласующий трансформатор передаёт их в линию. По окончании выдержки таймера в питание будет отключено, поэтому в линию необходимо подавать периодически сигнал тональника. Рассмотрим схему на рис. 6. (коммутатор питания).
-
В цепь линии включена неоновая лампа NE - 2 и как только напряжение превысит 80 в. (при вызове) неоновая лампа зажигается. Возникающий ток выпрямляется и поступает на оптрон, он в свою очередь открывается и включает общее питание схемы. При включении питания, таймер А начинает отсчёт времени и управляет имитатором снятия трубки. Транзистор подключен через диод к оптрону и когда кончается выдержка таймера А, на базе транзистора появляется положительный отпирающий потенциал. Полная схема показана на рис.7. Таймер А собран на м/с IC-2, таймер В на м/с IC-4. М/с IС-1 и IC-3 представляют собой оптроны. На м/с IC-5 собран частотный декодер тонального сигнала, на операционных усилителях IC-5 и IC-7 собран микрофонный усилитель.
-
Время выдержки таймера А определяется номиналами С1 и R4. Частотный детектор питается также от таймера А. Транзистор VT3 работает в режиме стабилизатора напряжения. Звуковые сигналы, поступающие на согласующий трансформатор, Тр 1, проходит через ограничитель на диодах D6 , D7 и поступают на вход частного декодера. Частота декодера при помощи R17 может быть установлена любой. D10 стабилизирует 5 - 6В. При появлении звукового сигнала установленной частоты на входе декодера, на его выходе (выв. 8) напряжение падает до нуля. До этого момента транзистор VT7 заперт обратным напряжением, по мере заряда конденсаторов С9 он открывается и создаёт отпирающее смещение транзистору VT5. Этот транзистор и конденсатор С20 формирует импульс сброса отрицательной полярности для запуска таймера В. При указанных номинальных деталей звуковой сигнал должен быть 2-3 сек. Время выдержки таймера В определяется номиналами С11 и R13. VT4 защищает таймер от ложных срабатываний. Согласующий трансформатор имеет входное и выходное сопротивление 600 Ом. При настройке устройства установите в среднее положение ползунки всех резисторов и подключите 12 В, если всё в порядке, то тока в цепи не будет. Соедините перемычкой вывод 2 м/с IC-1 с общим проводом, после чего подвинти потенциал в точку соединения диодов D1 и D2, при этом должно сработать реле и зажечься светодиод D11. По окончании времени выдержки таймера А они должны отключиться. Если этот блок сработал, можно сделать вывод , что исправны таймер А, IС-1 и IC-3, а транзистор VT1 отключает фотодинистор. Теперь уберите провода и подайте питание в схему, закоротив выводы 4 и 6 м/с IC-1. По истечении выдержки таймера А погаснет светодиод D11 и отключится реле. Подайте низкий потенциал на вывод 8 м/с IC-5 на 3 сек , при этом должен зажечься светодиод D12, что указывает на запуск таймера В. В последнюю очередь проверьте работу усилителя и подберите звуковую частоту на частотном декодере к которой он будет чувствителен.
-
Питаться устройство от источника 12 В. Питание может осуществляться от батареи или аккумуляторов. Потребление тока - 100 мА. Возможно использование стабилизированного блока питания с низкими пульсациями. Можно использовать два вида звуковых передатчиков. В первую очередь это может быть электронный прибор, питаемый от батареек и воспроизводящий высокочастотный сигнал через динамик. При использовании, eго нужно поднести к трубке и включить. Второй тип может быть высокочастотным свистком (причём второй вариант проще в пользовании и менее обременителен). Лучше подойдет металлический свисток со стабильном частотном звучании. Либо просто бипер хотя если его использовать то кто-то левый тоже сможет прослушать ваш объект слежки :)
Источник: http://www.bape3.org
|
Разрешается републикация материалов сайта в Интернете с обязательным указанием ссылки на сайт samodelki.org.ua и со ссылкой на автора материала (указание автора, его сайта)
|
|
|